LD2541C/D 시리즈
1000개
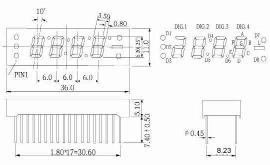
1. 모든 치수는 밀리미터 (인치)로, 공차는+ 다른 현명하지 않은 한 0.25mm (0.01inch).
2. 사양은 예고없이 변경 될 수 있습니다.
3. 반사경과 PCB 사이의 간격은 0.25mm를 초과하지 않아야한다.
1 번 테이블:
| 4 자리 7 세그먼트 LED 디스플레이, 손가락 높이 : 6.20mm (0.25 인치), 외형 치수 : 36.00x11.00x5.10mm (LxWxHmm) | ||||||||
| 부품 번호 | 칩 | 나는V@나는에프= 20mA | Iv @ I에프= 20mA | |||||
| 공통 음극 | 공유지 양극 | 자료 | 색깔 | WLD | 원세그 | 1 DP | ||
| 최소. | Typ. | 최소. | Typ. | |||||
| LD2541CR | LD2541DR | GaAlAs | 슈퍼 레드 | 640 | 8 | 10 | 8 | 10 |
| LD2541CD | LD2541DD | GaAlAs | 하이 레드 | 640 | 18 | 25 | 18 | 25 |
| LD2541CO | LD2541DO | GaAsP | 주황색 | 625 | 7 | 9 | 7 | 9 |
| LD2541CY | LD2541DY | GaAsP | 노랑 | 588 | 8 | 10 | 8 | 10 |
| LD2541CG | LD2541DG | 갭 | 녹색 | 568 | 7 | 9 | 7 | 9 |
| LD2541CUR | LD2541DUR | AlGaInP | 울트라 레드 | 640 | 30 | 45 | 30 | 45 |
| LD2541CUO | LD2541DUO | AlGaInP | 울트라 오렌지 | 625 | 45 | 60 | 45 | 60 |
| LD2541CUA | LD2541DUA | AlGaInP | 울트라 앰버 | 605 | 30 | 45 | 30 | 45 |
| LD2541CUY | LD2541DUY | AlGaInP | 울트라 옐로우 | 595 | 30 | 45 | 30 | 45 |
| LD2541CUG | LD2541DUG | AlGaInP | 울트라 그린 | 573 | 30 | 45 | 30 | 45 |
| LD2541CPG | LD2541DPG | InGaN | 순수한 녹색 | 525 | 120 | 300 | 120 | 300 |
| LD2541CUB | LD2541DUB | InGaN | 울트라 블루 | 470 | 30 | 45 | 30 | 45 |
| LD2541CUW | LD2541DUW | InGaN | 울트라 화이트 | \ | 100 | 120 | 100 | 120 |
| 단위: | \ | \ | \ | nm | mcd | mcd | mcd | mcd |
표 2 :
| 색깔 | 전기적 광학 특성[1] | 절대 최대 정격[1] | |||||
| 순방향 전압 @ IF = 20mA | 역 | 전력 소모 | DC 순방향 전류 | 피크 순방향 전류[2] | |||
| Typ. | 맥스. | ||||||
| 슈퍼 레드 | Per Seg. | 1.8 | 2.2 | 30 | 60 | 25 | 100 |
| DP 당 | 1.8 | 2.2 | 30 | 60 | 25 | 100 | |
| 하이 레드 | Per Seg. | 1.8 | 2.2 | 30 | 60 | 25 | 100 |
| DP 당 | 1.8 | 2.2 | 30 | 60 | 25 | 100 | |
| 주황색 | Per Seg. | 2.1 | 2.5 | 30 | 80 | 30 | 100 |
| DP 당 | 2.1 | 2.5 | 30 | 80 | 30 | 100 | |
| 노랑 | Per Seg. | 2.1 | 2.5 | 30 | 80 | 30 | 100 |
| DP 당 | 2.1 | 2.5 | 30 | 80 | 30 | 100 | |
| 녹색 | Per Seg. | 2.2 | 2.5 | 30 | 80 | 30 | 100 |
| DP 당 | 2.2 | 2.5 | 30 | 80 | 30 | 100 | |
| 울트라 레드 | Per Seg. | 1.9 | 2.6 | 30 | 60 | 30 | 100 |
| DP 당 | 1.9 | 2.6 | 30 | 60 | 30 | 100 | |
| 울트라 오렌지 | Per Seg. | 2 | 2.6 | 30 | 65 | 30 | 100 |
| DP 당 | 2 | 2.6 | 30 | 65 | 30 | 100 | |
| 울트라 앰버 | Per Seg. | 2 | 2.6 | 30 | 65 | 30 | 100 |
| DP 당 | 2 | 2.6 | 30 | 65 | 30 | 100 | |
| 울트라 옐로우 | Per Seg. | 2 | 2.6 | 30 | 65 | 30 | 100 |
| DP 당 | 2 | 2.6 | 30 | 65 | 30 | 100 | |
| 울트라 그린 | Per Seg. | 2.1 | 2.6 | 30 | 75 | 30 | 100 |
| DP 당 | 2.1 | 2.6 | 30 | 75 | 30 | 100 | |
| 순수한 녹색 | Per Seg. | 3.5 | 4 | 30 | 110 | 30 | 100 |
| DP 당 | 3.5 | 4 | 30 | 110 | 30 | 100 | |
| 울트라 블루 | Per Seg. | 3.5 | 4 | 30 | 120 | 30 | 100 |
| DP 당 | 3.5 | 4 | 30 | 120 | 30 | 100 | |
| 울트라 화이트 | Per Seg. | 3.5 | 4 | 30 | 120 | 30 | 100 |
| DP 당 | 3.5 | 4 | 30 | 120 | 30 | 100 | |
| 단위: | \ | V | V | 너 | mW | 엄마 | 엄마 |
노트:
Ta = 25 ℃에서,
2. 1/10 듀티 사이클, 0.1ms 펄스에서 피크 순방향 전류
1. 모든 치수는 밀리미터 (인치)로, 공차는+ 다른 현명하지 않은 한 0.25mm (0.01inch).
2. 사양은 예고없이 변경 될 수 있습니다.
3. 반사경과 PCB 사이의 간격은 0.25mm를 초과하지 않아야한다.
1 번 테이블:
| 4 자리 7 세그먼트 LED 디스플레이, 손가락 높이 : 6.20mm (0.25 인치), 외형 치수 : 36.00x11.00x5.10mm (LxWxHmm) | ||||||||
| 부품 번호 | 칩 | 나는V@나는에프= 20mA | Iv @ I에프= 20mA | |||||
| 공통 음극 | 공유지 양극 | 자료 | 색깔 | WLD | 원세그 | 1 DP | ||
| 최소. | Typ. | 최소. | Typ. | |||||
| LD2541CR | LD2541DR | GaAlAs | 슈퍼 레드 | 640 | 8 | 10 | 8 | 10 |
| LD2541CD | LD2541DD | GaAlAs | 하이 레드 | 640 | 18 | 25 | 18 | 25 |
| LD2541CO | LD2541DO | GaAsP | 주황색 | 625 | 7 | 9 | 7 | 9 |
| LD2541CY | LD2541DY | GaAsP | 노랑 | 588 | 8 | 10 | 8 | 10 |
| LD2541CG | LD2541DG | 갭 | 녹색 | 568 | 7 | 9 | 7 | 9 |
| LD2541CUR | LD2541DUR | AlGaInP | 울트라 레드 | 640 | 30 | 45 | 30 | 45 |
| LD2541CUO | LD2541DUO | AlGaInP | 울트라 오렌지 | 625 | 45 | 60 | 45 | 60 |
| LD2541CUA | LD2541DUA | AlGaInP | 울트라 앰버 | 605 | 30 | 45 | 30 | 45 |
| LD2541CUY | LD2541DUY | AlGaInP | 울트라 옐로우 | 595 | 30 | 45 | 30 | 45 |
| LD2541CUG | LD2541DUG | AlGaInP | 울트라 그린 | 573 | 30 | 45 | 30 | 45 |
| LD2541CPG | LD2541DPG | InGaN | 순수한 녹색 | 525 | 120 | 300 | 120 | 300 |
| LD2541CUB | LD2541DUB | InGaN | 울트라 블루 | 470 | 30 | 45 | 30 | 45 |
| LD2541CUW | LD2541DUW | InGaN | 울트라 화이트 | \ | 100 | 120 | 100 | 120 |
| 단위: | \ | \ | \ | nm | mcd | mcd | mcd | mcd |
표 2 :
| 색깔 | 전기적 광학 특성[1] | 절대 최대 정격[1] | |||||
| 순방향 전압 @ IF = 20mA | 역 | 전력 소모 | DC 순방향 전류 | 피크 순방향 전류[2] | |||
| Typ. | 맥스. | ||||||
| 슈퍼 레드 | Per Seg. | 1.8 | 2.2 | 30 | 60 | 25 | 100 |
| DP 당 | 1.8 | 2.2 | 30 | 60 | 25 | 100 | |
| 하이 레드 | Per Seg. | 1.8 | 2.2 | 30 | 60 | 25 | 100 |
| DP 당 | 1.8 | 2.2 | 30 | 60 | 25 | 100 | |
| 주황색 | Per Seg. | 2.1 | 2.5 | 30 | 80 | 30 | 100 |
| DP 당 | 2.1 | 2.5 | 30 | 80 | 30 | 100 | |
| 노랑 | Per Seg. | 2.1 | 2.5 | 30 | 80 | 30 | 100 |
| DP 당 | 2.1 | 2.5 | 30 | 80 | 30 | 100 | |
| 녹색 | Per Seg. | 2.2 | 2.5 | 30 | 80 | 30 | 100 |
| DP 당 | 2.2 | 2.5 | 30 | 80 | 30 | 100 | |
| 울트라 레드 | Per Seg. | 1.9 | 2.6 | 30 | 60 | 30 | 100 |
| DP 당 | 1.9 | 2.6 | 30 | 60 | 30 | 100 | |
| 울트라 오렌지 | Per Seg. | 2 | 2.6 | 30 | 65 | 30 | 100 |
| DP 당 | 2 | 2.6 | 30 | 65 | 30 | 100 | |
| 울트라 앰버 | Per Seg. | 2 | 2.6 | 30 | 65 | 30 | 100 |
| DP 당 | 2 | 2.6 | 30 | 65 | 30 | 100 | |
| 울트라 옐로우 | Per Seg. | 2 | 2.6 | 30 | 65 | 30 | 100 |
| DP 당 | 2 | 2.6 | 30 | 65 | 30 | 100 | |
| 울트라 그린 | Per Seg. | 2.1 | 2.6 | 30 | 75 | 30 | 100 |
| DP 당 | 2.1 | 2.6 | 30 | 75 | 30 | 100 | |
| 순수한 녹색 | Per Seg. | 3.5 | 4 | 30 | 110 | 30 | 100 |
| DP 당 | 3.5 | 4 | 30 | 110 | 30 | 100 | |
| 울트라 블루 | Per Seg. | 3.5 | 4 | 30 | 120 | 30 | 100 |
| DP 당 | 3.5 | 4 | 30 | 120 | 30 | 100 | |
| 울트라 화이트 | Per Seg. | 3.5 | 4 | 30 | 120 | 30 | 100 |
| DP 당 | 3.5 | 4 | 30 | 120 | 30 | 100 | |
| 단위: | \ | V | V | 너 | mW | 엄마 | 엄마 |
노트:
Ta = 25 ℃에서,
2. 1/10 듀티 사이클, 0.1ms 펄스에서 피크 순방향 전류