LLS0805UR1UG1
LITEKEY
8541401000
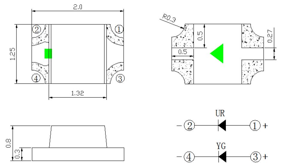
0805 빨간색-녹색 이중 색상 표면 실장 LED(LLS0805UR1UG1)
DUAL COLOR 패키지 규격 칩 LED 0805
참고:
1. 모든 치수는 밀리미터[단위] 단위입니다.
2. 달리 명시되지 않는 한 공차는 ±0.1mm(0.004')입니다.
3.사양은 예고 없이 변경될 수 있습니다.
·특징
2.0*1.25*0.80mm
단색형
납땜 방법 :모든 SMT 조립 방법
ROHS 표준 준수
듀얼 컬러 타입.
납땜 방법 : 모든 SMT 조립 방법.
ROHS 표준을 준수합니다.
매우 작은 크기(2x1.25x0.8mm).
작동 온도 범위 -40°C ~ +85°C.
0805 산업 표준 설치 공간.
소형 장치에 적용하기에 매우 적합합니다.
높은 신뢰성의 성능.
넓은 시야각.
평평한 상단 방출 표면.
·설명
이 듀얼 컬러 SMD LED 0805는 다음과 같이 만들어집니다. InGaN 및 인가AIP 사파이어에
발광 다이오드.
0805 RED-GREEN 칩 LED 적용
광학 표시기
전화 및 팩스의 표시기 및 백라이트
LCD, 스위치 및 기호용 평면 백라이트
광파이프 응용
일반 용도
부품 번호 | 방출됨 색상 | 렌의 컬러 | 칩 재질 |
LLS0805UR1UG1(0.80) | Red | 물 맑은 | 인가AIP |
노란색 녹색 | 인가AIP |
절대 최대 정격(Ta=25℃)
목 | 상징 | 최고 | 단위 | |
UR | UG | |||
전력 소비 | PD | 75 | 75 | 밀리와트 |
연속 순방향 전류 | IFmax | 30 | 30 | 엄마 |
피크 순방향 전류(1/10 듀티 사이클 0.1ms 펄스 폭) | IFP | 140 | 140 | 엄마 |
R역전압 | VR | 5 | 5 | V |
작동 온도 범위 | T작전 | -40 ~ +85 | ℃ | |
보관 온도 범위 | T성병 | -40 ~ +85 | ℃ | |
선두 납땜 온도 | 촐 | 리플로우 납땜 : 260 ℃ 5초 동안 손 납땜 : 350 ℃ 3초 동안 | ||
전기적/광학적 특성(Ta=25℃)
목 | 상징 | Condition | 최소 | 유형 | 맥스. | 단위 | ||||
UR | UG | UR | UG | UR | UG | |||||
순방향 전압 | VF | IF=20mA |
|
| --- | --- |
|
| V | |
광도 | IV | IF=20mA | 70 | 30 | --- | --- | 200 | 70 | mcd | |
파장 | ld | IF=20mA | 620 | 565 | -- | -- | 625 | 575 | nm | |
시야각 | 2θ1/2 | IF=20mA | -- | -- | 120 | 120 | -- | -- | 데그 | |
역전류 | IR | VR =5V | -- | -- | -- | -- | 10 | 10 | uA | |
0805 BLUE ChipLED의 신뢰성 테스트 항목 및 조건
아니요. | 목 | 테스트 조건 | 시험 시간/주기/시간 | 견본 수량 | 에이커 |
1 | 리플로우 | 온도:260±5℃; 최소5초 | 6분 | 22개 | 0/1 |
2 | 온도주기 | H:+100℃ 15분 도착(5분) L:-40℃ 15분 | 20사이클 | 22개 | 0/1 |
3 | 열충격 | H:+100℃ 15분 도착(5분) L:-40℃ 15분 | 100사이클 | 22개 | 0/1 |
4 | 고온 저장 | 온도: 85℃ | 1000시간 | 22개 | 0/1 |
5 | 저온 저장 | 온도:-40℃ | 1000시간 | 22개 | 0/1 |
6 | DC 작동 수명 | IF=20MA | 1000시간 | 22개 | 0/1 |
7 | 높은 습도 | 85%RH | 1000시간 | 22개 | 0/1 |
SMD LED 0805의 SMT 리플로우 납땜 지침
참고:
1. 리플로우 온도는 245±5℃를 권장합니다. 최대 납땜 온도는 10초(최대) 동안 260℃로 제한되어야 합니다.
2. 고온에 노출된 상태에서 에폭시 수지에 응력을 가하지 마십시오.
3. 리플로우 공정 횟수는 2회 이하로 한다.
칩 LED 0805의 생산:
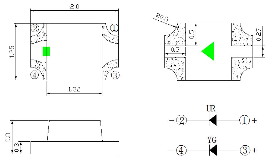
0805 빨간색-녹색 이중 색상 표면 실장 LED(LLS0805UR1UG1)
DUAL COLOR 패키지 규격 칩 LED 0805
참고:
1. 모든 치수는 밀리미터[단위] 단위입니다.
2. 달리 명시되지 않는 한 공차는 ±0.1mm(0.004')입니다.
3.사양은 예고 없이 변경될 수 있습니다.
·특징
2.0*1.25*0.80mm
단색형
납땜 방법 :모든 SMT 조립 방법
ROHS 표준 준수
듀얼 컬러 타입.
납땜 방법 : 모든 SMT 조립 방법.
ROHS 표준을 준수합니다.
매우 작은 크기(2x1.25x0.8mm).
작동 온도 범위 -40°C ~ +85°C.
0805 산업 표준 설치 공간.
소형 장치에 적용하기에 매우 적합합니다.
높은 신뢰성의 성능.
넓은 시야각.
평평한 상단 방출 표면.
·설명
이 듀얼 컬러 SMD LED 0805는 다음과 같이 만들어집니다. InGaN 및 인가AIP 사파이어에
발광 다이오드.
0805 RED-GREEN 칩 LED 적용
광학 표시기
전화 및 팩스의 표시기 및 백라이트
LCD, 스위치 및 기호용 평면 백라이트
광파이프 응용
일반 용도
부품 번호 | 방출됨 색상 | 렌의 컬러 | 칩 재질 |
LLS0805UR1UG1(0.80) | Red | 물 맑은 | 인가AIP |
노란색 녹색 | 인가AIP |
절대 최대 정격(Ta=25℃)
목 | 상징 | 최고 | 단위 | |
UR | UG | |||
전력 소비 | PD | 75 | 75 | 밀리와트 |
연속 순방향 전류 | IFmax | 30 | 30 | 엄마 |
피크 순방향 전류(1/10 듀티 사이클 0.1ms 펄스 폭) | IFP | 140 | 140 | 엄마 |
R역전압 | VR | 5 | 5 | V |
작동 온도 범위 | T작전 | -40 ~ +85 | ℃ | |
보관 온도 범위 | T성병 | -40 ~ +85 | ℃ | |
선두 납땜 온도 | 촐 | 리플로우 납땜 : 260 ℃ 5초 동안 손 납땜 : 350 ℃ 3초 동안 | ||
전기적/광학적 특성(Ta=25℃)
목 | 상징 | Condition | 최소 | 유형 | 맥스. | 단위 | ||||
UR | UG | UR | UG | UR | UG | |||||
순방향 전압 | VF | IF=20mA |
|
| --- | --- |
|
| V | |
광도 | IV | IF=20mA | 70 | 30 | --- | --- | 200 | 70 | mcd | |
파장 | ld | IF=20mA | 620 | 565 | -- | -- | 625 | 575 | nm | |
시야각 | 2θ1/2 | IF=20mA | -- | -- | 120 | 120 | -- | -- | 데그 | |
역전류 | IR | VR =5V | -- | -- | -- | -- | 10 | 10 | uA | |
0805 BLUE ChipLED의 신뢰성 테스트 항목 및 조건
아니요. | 목 | 테스트 조건 | 시험 시간/주기/시간 | 견본 수량 | 에이커 |
1 | 리플로우 | 온도:260±5℃; 최소5초 | 6분 | 22개 | 0/1 |
2 | 온도주기 | H:+100℃ 15분 도착(5분) L:-40℃ 15분 | 20사이클 | 22개 | 0/1 |
3 | 열충격 | H:+100℃ 15분 도착(5분) L:-40℃ 15분 | 100사이클 | 22개 | 0/1 |
4 | 고온 저장 | 온도: 85℃ | 1000시간 | 22개 | 0/1 |
5 | 저온 저장 | 온도:-40℃ | 1000시간 | 22개 | 0/1 |
6 | DC 작동 수명 | IF=20MA | 1000시간 | 22개 | 0/1 |
7 | 높은 습도 | 85%RH | 1000시간 | 22개 | 0/1 |
SMD LED 0805의 SMT 리플로우 납땜 지침
참고:
1. 리플로우 온도는 245±5℃를 권장합니다. 최대 납땜 온도는 10초(최대) 동안 260℃로 제한되어야 합니다.
2. 고온에 노출된 상태에서 에폭시 수지에 응력을 가하지 마십시오.
3. 리플로우 공정 횟수는 2회 이하로 한다.
칩 LED 0805의 생산: