LSD4021A/B
LITEKEY
8531200000
0.40인치 이중 숫자 영숫자 SMD LED 디스플레이
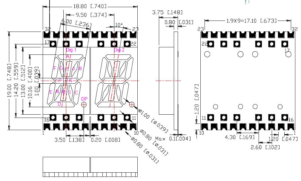
1. 외형도 및 내부회로도
참고:
모든 치수는 밀리미터(인치) 단위이며 달리 명시하지 않는 한 공차는 0.25mm(0.010)입니다.
2. 선정안내
부품 번호 | 칩 | Iv@IF=20mA | ||||
흔한 양극 | 흔한 음극 | 재료 | 색상 | 월드 | 칩당 | |
최소 | 유형 | |||||
LSD4021BR-G | LSD4021AR-G | AlGaInP | 슈퍼 레드 | 640 | - | 8 |
LSD4021BUR-G | LSD4021AUR-G | AlGaInP | 울트라 레드 | 620 | - | 15 |
LSD4021BO-G | LSD4021AO-G | AlGaInP | 주황색 | 605 | - | 40 |
LSD4021BY-G | LSD4021AY-G | AlGaInP | 노란색 | 580 | - | 50 |
LSD4021BG-G | LSD4021AG-G | AlGaInP | 녹색 | 570 | - | 16 |
LSD4021BPG-G | LSD4021APG-G | 인가엔 | 퓨어 그린 | 520 | - | 35 |
LSD4021BB-G | LSD4021AB-G | 인가엔 | 파란색 | 470 | - | 25 |
LSD4021BR-G | LSD4021AR-G | 인가엔 | 하얀색 | x0.27/y0.25 | - | 60 |
단위: | \ | \ | \ | nm | mcd | mcd |
3. 전기적 특성 및 절대 최대 정격
매개변수 | 전기 같은 광학적 특성[1] | 순수한 최대 등급[1] | ||||
방출된 색상 | 순방향 전압 @ IF=20mA | 뒤집다 | 힘 소산 | DC 포워드 현재의 | 피크 포워드 현재의[2] | |
칩당 | 유형 | 최대. | ||||
슈퍼 레드 | 2.0 | 2.6 | 30 | 60 | 20 | 100 |
울트라 레드 | 2.0 | 2.6 | 30 | 65 | 20 | 100 |
주황색 | 2.0 | 2.6 | 30 | 65 | 20 | 100 |
노란색 | 2.0 | 2.6 | 30 | 65 | 20 | 100 |
녹색 | 2.0 | 2.6 | 30 | 75 | 20 | 100 |
퓨어 그린 | 3.0 | 3.6 | 30 | 85 | 20 | 100 |
파란색 | 3.0 | 3.6 | 30 | 85 | 20 | 100 |
하얀색 | 3.0 | 3.6 | 30 | 85 | 20 | 100 |
단위: | V | V | uA | 밀리와트 | 엄마 | 엄마 |
4. 적용 표면 실장형 LED 디스플레이(SMD LED 디스플레이)
﹒가전제품.
﹒계기판.
﹒디지털 판독값이 표시됩니다.
자세한 내용은 당사에 문의하세요.
우리의 서비스/LITEKEY를 선택하는 이유
1. 전문적인 업무: 24시간(평일 기준) 이내에 답변해 드립니다.
2. LED 램프의 다양한 준비 몰딩을 사용할 수 있습니다. 성형에 대한 추가 비용을 감당할 필요가 없습니다.
3. 우리는 또한 귀하의 요구에 따라 맞춤형 제품, 디자인을 제공할 수 있습니다.
4. 신뢰할 수 있고 안정적인 품질: 각 부분에 대해 100% 테스트. 자동 테스트 및 빈 코드 선택 기계.
5. 경험: 14년 이상 동안 LED 부품을 생산합니다.
6. 첨단 장비 : ASM 자동 생산 기계 (LED 자동 기계 분야 최대 브랜드)
7. 집중: 우리는 LED 연구 개발, 생산 및 판매에 중점을 둡니다.
0.40인치 이중 숫자 영숫자 SMD LED 디스플레이
1. 외형도 및 내부회로도
참고:
모든 치수는 밀리미터(인치) 단위이며 달리 명시하지 않는 한 공차는 0.25mm(0.010)입니다.
2. 선정안내
부품 번호 | 칩 | Iv@IF=20mA | ||||
흔한 양극 | 흔한 음극 | 재료 | 색상 | 월드 | 칩당 | |
최소 | 유형 | |||||
LSD4021BR-G | LSD4021AR-G | AlGaInP | 슈퍼 레드 | 640 | - | 8 |
LSD4021BUR-G | LSD4021AUR-G | AlGaInP | 울트라 레드 | 620 | - | 15 |
LSD4021BO-G | LSD4021AO-G | AlGaInP | 주황색 | 605 | - | 40 |
LSD4021BY-G | LSD4021AY-G | AlGaInP | 노란색 | 580 | - | 50 |
LSD4021BG-G | LSD4021AG-G | AlGaInP | 녹색 | 570 | - | 16 |
LSD4021BPG-G | LSD4021APG-G | 인가엔 | 퓨어 그린 | 520 | - | 35 |
LSD4021BB-G | LSD4021AB-G | 인가엔 | 파란색 | 470 | - | 25 |
LSD4021BR-G | LSD4021AR-G | 인가엔 | 하얀색 | x0.27/y0.25 | - | 60 |
단위: | \ | \ | \ | nm | mcd | mcd |
3. 전기적 특성 및 절대 최대 정격
매개변수 | 전기 같은 광학적 특성[1] | 순수한 최대 등급[1] | ||||
방출된 색상 | 순방향 전압 @ IF=20mA | 뒤집다 | 힘 소산 | DC 포워드 현재의 | 피크 포워드 현재의[2] | |
칩당 | 유형 | 최대. | ||||
슈퍼 레드 | 2.0 | 2.6 | 30 | 60 | 20 | 100 |
울트라 레드 | 2.0 | 2.6 | 30 | 65 | 20 | 100 |
주황색 | 2.0 | 2.6 | 30 | 65 | 20 | 100 |
노란색 | 2.0 | 2.6 | 30 | 65 | 20 | 100 |
녹색 | 2.0 | 2.6 | 30 | 75 | 20 | 100 |
퓨어 그린 | 3.0 | 3.6 | 30 | 85 | 20 | 100 |
파란색 | 3.0 | 3.6 | 30 | 85 | 20 | 100 |
하얀색 | 3.0 | 3.6 | 30 | 85 | 20 | 100 |
단위: | V | V | uA | 밀리와트 | 엄마 | 엄마 |
4. 적용 표면 실장형 LED 디스플레이(SMD LED 디스플레이)
﹒가전제품.
﹒계기판.
﹒디지털 판독값이 표시됩니다.
자세한 내용은 당사에 문의하세요.
우리의 서비스/LITEKEY를 선택하는 이유
1. 전문적인 업무: 24시간(평일 기준) 이내에 답변해 드립니다.
2. LED 램프의 다양한 준비 몰딩을 사용할 수 있습니다. 성형에 대한 추가 비용을 감당할 필요가 없습니다.
3. 우리는 또한 귀하의 요구에 따라 맞춤형 제품, 디자인을 제공할 수 있습니다.
4. 신뢰할 수 있고 안정적인 품질: 각 부분에 대해 100% 테스트. 자동 테스트 및 빈 코드 선택 기계.
5. 경험: 14년 이상 동안 LED 부품을 생산합니다.
6. 첨단 장비 : ASM 자동 생산 기계 (LED 자동 기계 분야 최대 브랜드)
7. 집중: 우리는 LED 연구 개발, 생산 및 판매에 중점을 둡니다.
권장 SMT 조건:
참고:
1.우리는 추천하다 그만큼 리플로우 온도 245°C(±5°C). 최고 납땜 온도 ~해야 한다 BE 제한된 에게 260°C.
2.하지 마세요 원인 스트레스 에게 그만큼 에폭시 수지 ~하는 동안 그것 ~이다 노출된 에게 높은 온도.
3. 숫자 ~의 리플로우 프로세스 ~일 것이다 BE 2 타임스 또는 더 적은.
권장 SMT 조건:
참고:
1.우리는 추천하다 그만큼 리플로우 온도 245°C(±5°C). 최고 납땜 온도 ~해야 한다 BE 제한된 에게 260°C.
2.하지 마세요 원인 스트레스 에게 그만큼 에폭시 수지 ~하는 동안 그것 ~이다 노출된 에게 높은 온도.
3. 숫자 ~의 리플로우 프로세스 ~일 것이다 BE 2 타임스 또는 더 적은.