LSD4011A/B
LITEKEY
8531200000
LSD4011A/B 시리즈 - 한자리 영숫자 표면 실장 디스플레이
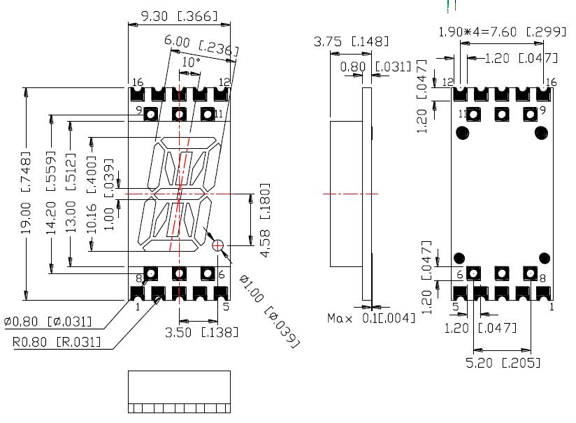
1. 패키지 크기 및 내부 회로도
참고:
모든 치수는 밀리미터(인치) 단위이며 달리 명시하지 않는 한 공차는 0.25mm(0.010)입니다.
2. 특징
0.4인치 문자(숫자) 높이
두께는 기존 디스플레이보다 얇습니다.
사용 가능한 전극: 공통 음극 또는 양극
다양한 색상으로 제공
패키지: SMT 제조용 테이프 및 릴(1000개/릴).
3. 설명
LSD4011은 10.16mm(0.4') 자리 높이의 영숫자 디스플레이입니다.
디스플레이는 밝은 주변 조명에서 탁월한 신뢰성을 제공합니다.
이 장치는 흰색 부분과 회색 표면으로 만들어졌습니다.
4. 선정안내
공통 음극 P/N | 공통 양극 P/N | 설명 | 파장/발광색(재질) | 렌즈 유형 |
LSD4011AR | LSD4011BR | 0.4'' 싱글 디그. 빨간색 영숫자 smd led 디스플레이, Rt. 손 십진수 | 640nm/다크레드(AlGaInP) | 백색 확산 |
LSD4011AUR | LSD4011BUR | 0.4'' 싱글 디그. 빨간색 영숫자 smd led 디스플레이, Rt. 손 십진수 | 630nm/브릴리언트 레드(AlGaInP) | 백색 확산 |
LSD4011AA | LSD4011BA | 0.4'' 싱글 디그. org 영숫자 smd led 디스플레이, Rt. 손 십진수 | 601-605nm/브릴리언 오렌지(AlGaInP) | 백색 확산 |
LSD4011AY | LSD4011BRY | 0.4'' 싱글 디그. 옐. 영숫자 smd 주도 디스플레이, Rt. 손 십진수 | 590nm/브릴리언트 옐로우(AlGaInP) | 백색 확산 |
LSD4011AG | LSD4011BG | 0.4'' 싱글 디그. grn 영숫자 smd led 디스플레이, Rt. 손 십진수 | 568-570nm/브릴리언트 옐로우 그린(AlGaInP) | 백색 확산 |
LSD4011APG | LSD4011BPG | 0.4'' 싱글 디그. 순수 grn 영숫자 smd led 디스플레이, Rt. 손 십진수 | 568-570nm/퓨어 그린 그린(AlGaInP) | 백색 확산 |
LSD4011AB | LSD4011BB | 0.4'' 싱글 디그. 파란색 영숫자 smd led 디스플레이, Rt. 손 십진수 | 468-470nm/청색(InGaN) | 백색 확산 |
LSD4011AW | LSD4011BW | 0.4'' 싱글 디그. 백색 영숫자 smd는 지도했습니다 디스플레이, Rt. 손 십진수 | 순백색/냉백색(InGaN) | 백색 확산 |
5. 전기적 특성 및 절대 최대 정격
방출됨 색상 | 전기광학 형질[1] | 절대 최대 평가[1] | |||||
VF@ 나F=20mA[1] | 뒤집다 현재의 VR=5V | 전력 소비 | DC 순방향 전류 | 피크 순방향 전류[2] | |||
유형 | 최대. | ||||||
진한 빨간색 | 2.0 | 2.4 | 10 | 60 | 25 | 60 | |
2.0 | 2.4 | 10 | 60 | 25 | 60 | ||
브릴리언트 레드 | 2.0 | 2.4 | 10 | 60 | 25 | 60 | |
브릴리언트 오렌지 | 2.1 | 2.4 | 10 | 60 | 25 | 60 | |
브릴리언트 옐로우 그린 | 2.0 | 2.4 | 10 | 60 | 25 | 60 | |
브릴리언트 옐로우 | 2.0 | 2.4 | 10 | 60 | 25 | 60 | |
퓨어 그린 | 3.3 | 3.7 | 10 | 110 | 25 | 110 | |
파란색 | 3.3 | 3.7 | 10 | 110 | 25 | 110 | |
퓨어/쿨 화이트 | 3.3 | 3.7 | 10 | 110 | 25 | 110 | |
단위: | \ | V | V | uA | 밀리와트 | 엄마 | 엄마 |
6. 일반적인 SMD 디스플레이 유형:
7. 응용
실내 사용에 적합합니다.
오디오 시스템.
셋톱박스.
게임기.
TV의 채널 표시기.
숫자 상태 표시
자세한 내용은 당사에 문의하세요.
8. LITEKEY를 선택하는 이유
1. 전문적인 업무: 24시간(평일 기준) 이내에 답변해 드립니다.
2. SMD 디스플레이의 다양한 준비 몰딩을 사용할 수 있습니다. 성형에 대한 추가 비용을 감당할 필요가 없습니다.
3. 우리는 또한 귀하의 요구에 따라 맞춤형 제품, 디자인을 제공할 수 있습니다.
4. 신뢰할 수 있고 안정적인 품질: 각 부분에 대해 100% 테스트. 자동 테스트 및 빈 코드 선택 기계.
5. 경험: 14년 이상 동안 LED 부품을 생산합니다.
6. 첨단 장비 : ASM 자동 생산 기계 (LED 자동 기계 분야 최대 브랜드)
7. 집중: 우리는 LED 연구 개발, 생산 및 판매에 중점을 둡니다.
LSD4011A/B 시리즈 - 한자리 영숫자 표면 실장 디스플레이
1. 패키지 크기 및 내부 회로도
참고:
모든 치수는 밀리미터(인치) 단위이며 달리 명시하지 않는 한 공차는 0.25mm(0.010)입니다.
2. 특징
0.4인치 문자(숫자) 높이
두께는 기존 디스플레이보다 얇습니다.
사용 가능한 전극: 공통 음극 또는 양극
다양한 색상으로 제공
패키지: SMT 제조용 테이프 및 릴(1000개/릴).
3. 설명
LSD4011은 10.16mm(0.4') 자리 높이의 영숫자 디스플레이입니다.
디스플레이는 밝은 주변 조명에서 탁월한 신뢰성을 제공합니다.
이 장치는 흰색 부분과 회색 표면으로 만들어졌습니다.
4. 선정안내
공통 음극 P/N | 공통 양극 P/N | 설명 | 파장/발광색(재질) | 렌즈 유형 |
LSD4011AR | LSD4011BR | 0.4'' 싱글 디그. 빨간색 영숫자 smd led 디스플레이, Rt. 손 십진수 | 640nm/다크레드(AlGaInP) | 백색 확산 |
LSD4011AUR | LSD4011BUR | 0.4'' 싱글 디그. 빨간색 영숫자 smd led 디스플레이, Rt. 손 십진수 | 630nm/브릴리언트 레드(AlGaInP) | 백색 확산 |
LSD4011AA | LSD4011BA | 0.4'' 싱글 디그. org 영숫자 smd led 디스플레이, Rt. 손 십진수 | 601-605nm/브릴리언 오렌지(AlGaInP) | 백색 확산 |
LSD4011AY | LSD4011BRY | 0.4'' 싱글 디그. 옐. 영숫자 smd 주도 디스플레이, Rt. 손 십진수 | 590nm/브릴리언트 옐로우(AlGaInP) | 백색 확산 |
LSD4011AG | LSD4011BG | 0.4'' 싱글 디그. grn 영숫자 smd led 디스플레이, Rt. 손 십진수 | 568-570nm/브릴리언트 옐로우 그린(AlGaInP) | 백색 확산 |
LSD4011APG | LSD4011BPG | 0.4'' 싱글 디그. 순수 grn 영숫자 smd led 디스플레이, Rt. 손 십진수 | 568-570nm/퓨어 그린 그린(AlGaInP) | 백색 확산 |
LSD4011AB | LSD4011BB | 0.4'' 싱글 디그. 파란색 영숫자 smd led 디스플레이, Rt. 손 십진수 | 468-470nm/청색(InGaN) | 백색 확산 |
LSD4011AW | LSD4011BW | 0.4'' 싱글 디그. 백색 영숫자 smd는 지도했습니다 디스플레이, Rt. 손 십진수 | 순백색/냉백색(InGaN) | 백색 확산 |
5. 전기적 특성 및 절대 최대 정격
방출됨 색상 | 전기광학 형질[1] | 절대 최대 평가[1] | |||||
VF@ 나F=20mA[1] | 뒤집다 현재의 VR=5V | 전력 소비 | DC 순방향 전류 | 피크 순방향 전류[2] | |||
유형 | 최대. | ||||||
진한 빨간색 | 2.0 | 2.4 | 10 | 60 | 25 | 60 | |
2.0 | 2.4 | 10 | 60 | 25 | 60 | ||
브릴리언트 레드 | 2.0 | 2.4 | 10 | 60 | 25 | 60 | |
브릴리언트 오렌지 | 2.1 | 2.4 | 10 | 60 | 25 | 60 | |
브릴리언트 옐로우 그린 | 2.0 | 2.4 | 10 | 60 | 25 | 60 | |
브릴리언트 옐로우 | 2.0 | 2.4 | 10 | 60 | 25 | 60 | |
퓨어 그린 | 3.3 | 3.7 | 10 | 110 | 25 | 110 | |
파란색 | 3.3 | 3.7 | 10 | 110 | 25 | 110 | |
퓨어/쿨 화이트 | 3.3 | 3.7 | 10 | 110 | 25 | 110 | |
단위: | \ | V | V | uA | 밀리와트 | 엄마 | 엄마 |
6. 일반적인 SMD 디스플레이 유형:
7. 응용
실내 사용에 적합합니다.
오디오 시스템.
셋톱박스.
게임기.
TV의 채널 표시기.
숫자 상태 표시
자세한 내용은 당사에 문의하세요.
8. LITEKEY를 선택하는 이유
1. 전문적인 업무: 24시간(평일 기준) 이내에 답변해 드립니다.
2. SMD 디스플레이의 다양한 준비 몰딩을 사용할 수 있습니다. 성형에 대한 추가 비용을 감당할 필요가 없습니다.
3. 우리는 또한 귀하의 요구에 따라 맞춤형 제품, 디자인을 제공할 수 있습니다.
4. 신뢰할 수 있고 안정적인 품질: 각 부분에 대해 100% 테스트. 자동 테스트 및 빈 코드 선택 기계.
5. 경험: 14년 이상 동안 LED 부품을 생산합니다.
6. 첨단 장비 : ASM 자동 생산 기계 (LED 자동 기계 분야 최대 브랜드)
7. 집중: 우리는 LED 연구 개발, 생산 및 판매에 중점을 둡니다.
권장 SMT 조건:
참고:
1.우리는 추천하다 그만큼 리플로우 온도 245°C(±5°C). 최고 납땜 온도 ~해야 한다 BE 제한된 에게 260°C.
2.하지 마세요 원인 스트레스 에게 그만큼 에폭시 수지 ~하는 동안 그것 ~이다 노출된 에게 높은 온도.
3. 숫자 ~의 리플로우 프로세스 ~일 것이다 BE 2 타임스 또는 더 적은.
권장 SMT 조건:
참고:
1.우리는 추천하다 그만큼 리플로우 온도 245°C(±5°C). 최고 납땜 온도 ~해야 한다 BE 제한된 에게 260°C.
2.하지 마세요 원인 스트레스 에게 그만큼 에폭시 수지 ~하는 동안 그것 ~이다 노출된 에게 높은 온도.
3. 숫자 ~의 리플로우 프로세스 ~일 것이다 BE 2 타임스 또는 더 적은.