LL50BL5W15-4000
LITEKEY
8541401000
5mm 파란색 원형 LED 램프 (LL50BL5W15-4000)
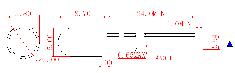
·패키지 크기
·선택 가이드
부품 번호 | 주사위 | 렌즈 색상 | Iv(mcd)(IF=20mA) | 시야각 (2θ½) | |||
원료 | 방출된 색상 | 최소 | 일반 | 최대 | |||
LL50BL5W15-4000 | 인가엔 | 파란색 | 물 맑은 | 7000 | 10000 | --- | |
·절대 최대 정격(Ta = 25℃)
목 | 상징 | 최고 | 단위 |
전력 소비 | PD | 90 | 밀리와트 |
피크 순방향 전류 (1/10 듀티 사이클 0.1ms 펄스 폭) | IFP | 100 | 엄마 |
순방향 전류 | IFmax | 25 | 엄마 |
역전압 | VR | 5 | V |
정전기 방전 | ESD | 1000 | V |
작동 온도 범위 | 토퍼 / Tstg | -40~+85℃ | |
보관 온도 범위 | 토퍼 / Tstg | -40~+100℃ | |
·전기적/광학적 특성(Ta=25Cº)
목 | 상징 | 최소 | 유형 | 최대. | 단위 | Condition |
피크 파장 | λp | - | 468 | - | nm | IF=20mA |
주파장 | λd | - | 470 | - | nm | IF=20mA |
스펙트럼 선 좌표 | Δλ | - | 30 | - | nm | IF=20mA |
순방향 전압 | VF | - | 3.0 | 3.6 | V | IF=20mA |
역전류 | IR | - | - | 10 | uA | VR=5V |
참고:
1. 모든 치수는 밀리미터(인치) 단위입니다.
2. 별도로 명시하지 않는 한 공차는 ±0.25mm(0.01˝)입니다. 광도 허용 오차는 ±10%입니다.
3. 주 방출 파장 허용 오차는 ±1nm입니다. 사양은 예고 없이 변경될 수 있습니다.
·일반적인 전기 광학 특성 곡선:
무화과. 1 순방향 전류 대. 순방향 전압 무화과. 2 상대 강도 대. 순방향 전류

무화과. 3 순방향 전압 대. 온도 무화과. 4 상대 강도 대. 온도
무화과. 5 상대 강도 대. 파장
5mm 파란색 원형 LED 램프 (LL50BL5W15-4000)
·패키지 크기
·선택 가이드
부품 번호 | 주사위 | 렌즈 색상 | Iv(mcd)(IF=20mA) | 시야각 (2θ½) | |||
원료 | 방출된 색상 | 최소 | 일반 | 최대 | |||
LL50BL5W15-4000 | 인가엔 | 파란색 | 물 맑은 | 7000 | 10000 | --- | |
·절대 최대 정격(Ta = 25℃)
목 | 상징 | 최고 | 단위 |
전력 소비 | PD | 90 | 밀리와트 |
피크 순방향 전류 (1/10 듀티 사이클 0.1ms 펄스 폭) | IFP | 100 | 엄마 |
순방향 전류 | IFmax | 25 | 엄마 |
역전압 | VR | 5 | V |
정전기 방전 | ESD | 1000 | V |
작동 온도 범위 | 토퍼 / Tstg | -40~+85℃ | |
보관 온도 범위 | 토퍼 / Tstg | -40~+100℃ | |
·전기적/광학적 특성(Ta=25Cº)
목 | 상징 | 최소 | 유형 | 최대. | 단위 | Condition |
피크 파장 | λp | - | 468 | - | nm | IF=20mA |
주파장 | λd | - | 470 | - | nm | IF=20mA |
스펙트럼 선 좌표 | Δλ | - | 30 | - | nm | IF=20mA |
순방향 전압 | VF | - | 3.0 | 3.6 | V | IF=20mA |
역전류 | IR | - | - | 10 | uA | VR=5V |
참고:
1. 모든 치수는 밀리미터(인치) 단위입니다.
2. 별도로 명시하지 않는 한 공차는 ±0.25mm(0.01˝)입니다. 광도 허용 오차는 ±10%입니다.
3. 주 방출 파장 허용 오차는 ±1nm입니다. 사양은 예고 없이 변경될 수 있습니다.
·일반적인 전기 광학 특성 곡선:
무화과. 1 순방향 전류 대. 순방향 전압 무화과. 2 상대 강도 대. 순방향 전류

무화과. 3 순방향 전압 대. 온도 무화과. 4 상대 강도 대. 온도
무화과. 5 상대 강도 대. 파장
·권장되는 웨이브 납땜 프로필:
참고:
1. 예열 온도는 105℃ 이하를 권장합니다. (열전대로 측정)
LED 핀에 부착) 최대 솔더 욕으로 솔더 웨이브에 담그기 전
260℃의 온도.
2. 피크 웨이브 솔더링 온도는 245~255℃에서 3초(최대 5초)입니다.
3.온도가 85℃ 이상에서는 에폭시 수지에 응력을 가하지 마십시오.
4. 고정 장치는 장착 및 납땜 과정에서 부품에 응력을 가하지 않아야 합니다.
두 개 이상의 웨이브 납땜은 허용되지 않습니다.
·이 문서의 사용에 대한 이용 약관
1. 이 문서에 포함된 정보는 대표적인 사용 시나리오를 반영하며 기술 참조용으로만 제공됩니다.
2. 본 문서에 언급된 부품 번호, 유형 및 사양은 향후 예고 없이 변경 및 개선될 수 있습니다. 제품을 사용하기 전에 고객은 업데이트된 사양에 대한 최신 데이터시트를 참조해야 합니다.
3. 이 문서에 언급된 제품을 사용할 때 제품이 데이터시트에 지정된 환경 및 전기 제한 내에서 작동되고 있는지 확인하십시오. 고객 사용량이 지정된 한도를 초과하는 경우 LITEKEY는 후속 문제에 대해 책임을 지지 않습니다.
이 문서의 정보는 가전 제품 응용 분야의 일반적인 사용에 적용됩니다. 고객의 애플리케이션에 특별한 신뢰성 요구 사항이 있거나 자동차 또는 의료 사용과 같이 생명을 위협하는 책임이 있는 경우 LITEKEY 담당자에게 문의하여 추가 지원을 받으십시오.
1. 보관 조건:
에이. 응축된 습기 환경에 지속적으로 노출되는 것을 방지하고 제품이 주변 온도의 급격한 변화로부터 멀리 떨어지도록 하십시오.
비. LED는 온도 30℃ 이하, 상대습도 60% 이하에서 보관해야 합니다.
기음. 원래의 밀봉된 패키지에 들어 있는 제품은 개봉 후 72시간 이내에 조립하는 것이 좋습니다. 개봉한 제품은 일주일 이상 85~100℃에서 30(+10/-0)시간 구워야 합니다.

4. 리드 성형 시, 굽힘력이 LED 렌즈 및 내부 구조에 전달되지 않도록 공구나 지그를 사용하여 리드를 단단히 고정하십시오. 부품이 PCB에 실장된 후에는 리드 포밍을 수행하지 마십시오.(그림 ④)
5. 리드선을 2회 이상 구부리지 마십시오. (그림⑤)
6. 납땜하는 동안 부품 커버와 홀더는 납땜하는 동안 LED에 손상을 주는 응력을 가하지 않도록 여유 공간을 두어야 합니다.
7. 스루홀 LED는 리플로우 솔더링과 호환되지 않습니다.
8. 청소:
에이. 실온에서는 필요한 경우 이소프로필 알코올만을 사용하여 1분 이내로 청소해야 합니다. 사용하기 전에 실온에서 건조시키십시오.
비. 초음파로 LED를 청소하지 마십시오. 꼭 필요한 경우 LED에 대한 초음파 세척의 영향은 초음파 출력 및 조립 상태와 같은 요소에 따라 달라집니다. 초음파 세척은 LED에 손상을 주지 않도록 사전 검증되어야 합니다.
9. 기타:
에이. 상기 사양은 예고 없이 변경될 수 있습니다. LITEKEY는 위 사양에 대한 중대한 변경에 대한 권한을 보유합니다.
비. 본 제품을 사용할 때에는 본 사양서에 명시된 절대 최대 정격 및 사용 지침을 준수하십시오. LITEKEY는 절대 최대 정격 및 본 사양 시트에 포함된 지침을 준수하지 않는 제품의 사용으로 인해 발생하는 모든 손상에 대해 책임을 지지 않습니다.
이 사양 시트에는 LITEKEY COMPANY LIMITED의 저작권으로 보호되는 자료가 포함되어 있습니다. LITEKEY의 동의 없이 누구도 복제할 수 없도록 복제하지 마세요.
·권장되는 웨이브 납땜 프로필:
참고:
1. 예열 온도는 105℃ 이하를 권장합니다. (열전대로 측정)
LED 핀에 부착) 최대 솔더 욕으로 솔더 웨이브에 담그기 전
260℃의 온도.
2. 피크 웨이브 솔더링 온도는 245~255℃에서 3초(최대 5초)입니다.
3.온도가 85℃ 이상에서는 에폭시 수지에 응력을 가하지 마십시오.
4. 고정 장치는 장착 및 납땜 과정에서 부품에 응력을 가하지 않아야 합니다.
두 개 이상의 웨이브 납땜은 허용되지 않습니다.
·이 문서의 사용에 대한 이용 약관
1. 이 문서에 포함된 정보는 대표적인 사용 시나리오를 반영하며 기술 참조용으로만 제공됩니다.
2. 본 문서에 언급된 부품 번호, 유형 및 사양은 향후 예고 없이 변경 및 개선될 수 있습니다. 제품을 사용하기 전에 고객은 업데이트된 사양에 대한 최신 데이터시트를 참조해야 합니다.
3. 이 문서에 언급된 제품을 사용할 때 제품이 데이터시트에 지정된 환경 및 전기 제한 내에서 작동되고 있는지 확인하십시오. 고객 사용량이 지정된 한도를 초과하는 경우 LITEKEY는 후속 문제에 대해 책임을 지지 않습니다.
이 문서의 정보는 가전 제품 응용 분야의 일반적인 사용에 적용됩니다. 고객의 애플리케이션에 특별한 신뢰성 요구 사항이 있거나 자동차 또는 의료 사용과 같이 생명을 위협하는 책임이 있는 경우 LITEKEY 담당자에게 문의하여 추가 지원을 받으십시오.
1. 보관 조건:
에이. 응축된 습기 환경에 지속적으로 노출되는 것을 방지하고 제품이 주변 온도의 급격한 변화로부터 멀리 떨어지도록 하십시오.
비. LED는 온도 30℃ 이하, 상대습도 60% 이하에서 보관해야 합니다.
기음. 원래의 밀봉된 패키지에 들어 있는 제품은 개봉 후 72시간 이내에 조립하는 것이 좋습니다. 개봉한 제품은 일주일 이상 85~100℃에서 30(+10/-0)시간 구워야 합니다.

4. 리드 성형 시, 굽힘력이 LED 렌즈 및 내부 구조에 전달되지 않도록 공구나 지그를 사용하여 리드를 단단히 고정하십시오. 부품이 PCB에 실장된 후에는 리드 포밍을 수행하지 마십시오.(그림 ④)
5. 리드선을 2회 이상 구부리지 마십시오. (그림⑤)
6. 납땜하는 동안 부품 커버와 홀더는 납땜하는 동안 LED에 손상을 주는 응력을 가하지 않도록 여유 공간을 두어야 합니다.
7. 스루홀 LED는 리플로우 솔더링과 호환되지 않습니다.
8. 청소:
에이. 실온에서는 필요한 경우 이소프로필 알코올만을 사용하여 1분 이내로 청소해야 합니다. 사용하기 전에 실온에서 건조시키십시오.
비. 초음파로 LED를 청소하지 마십시오. 꼭 필요한 경우 LED에 대한 초음파 세척의 영향은 초음파 출력 및 조립 상태와 같은 요소에 따라 달라집니다. 초음파 세척은 LED에 손상을 주지 않도록 사전 검증되어야 합니다.
9. 기타:
에이. 상기 사양은 예고 없이 변경될 수 있습니다. LITEKEY는 위 사양에 대한 중대한 변경에 대한 권한을 보유합니다.
비. 본 제품을 사용할 때에는 본 사양서에 명시된 절대 최대 정격 및 사용 지침을 준수하십시오. LITEKEY는 절대 최대 정격 및 본 사양 시트에 포함된 지침을 준수하지 않는 제품의 사용으로 인해 발생하는 모든 손상에 대해 책임을 지지 않습니다.
이 사양 시트에는 LITEKEY COMPANY LIMITED의 저작권으로 보호되는 자료가 포함되어 있습니다. LITEKEY의 동의 없이 누구도 복제할 수 없도록 복제하지 마세요.