LD18011A/B 시리즈
1000개
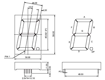
노트:
1. 모든 치수는 밀리미터 (인치)로, 공차는+ 다른 현명하지 않은 한 0.25mm (0.01inch).
2. 사양은 예고없이 변경 될 수 있습니다.
3. 반사경과 PCB 사이의 간격은 0.25mm를 초과하지 않아야한다.
1 번 테이블:
| 단일 디지트 7 세그먼트 LED 디스플레이, 디지트 높이 : 38.10mm (1.5inch), 외형 치수 : 30.60x44.00x8.0mm (LxWxHmm) | ||||||||
| 부품 번호 | 칩 | Iv @ IF = 20mA | Iv @ IF = 20mA | |||||
| 공유지 음극 | 공유지 양극 | 자료 | 색깔 | WLD | 원세그 | 1 DP | ||
| 최소. | Typ. | 최소. | Typ. | |||||
| LD15011AR | LD15011BR | GaAlAs | 슈퍼 레드 | 640 | 12 | 15 | 8 | 10 |
| LD15011AD | LD15011BD | GaAlAs | 하이 레드 | 640 | 27 | 37.5 | 18 | 25 |
| LD15011AO | LD15011BO | GaAsP | 주황색 | 625 | 10.5 | 13.5 | 7 | 9 |
| LD15011AY | LD15011BY | GaAsP | 노랑 | 588 | 12 | 15 | 8 | 10 |
| LD15011AG | LD15011BG | 갭 | 녹색 | 568 | 10.5 | 13.5 | 7 | 9 |
| LD15011AUR | LD15011BUR | AlGaInP | 울트라 레드 | 640 | 45 | 67.5 | 30 | 45 |
| LD15011AUO | LD15011BUO | AlGaInP | 울트라 오렌지 | 625 | 67.5 | 90 | 45 | 60 |
| LD15011AUA | LD15011BUA | AlGaInP | 울트라 앰버 | 605 | 45 | 67.5 | 30 | 45 |
| LD15011AUY | LD15011BUY | AlGaInP | 울트라 옐로우 | 595 | 45 | 67.5 | 30 | 45 |
| LD15011AUG | LD15011BUG | AlGaInP | 울트라 그린 | 573 | 45 | 67.5 | 30 | 45 |
| LD15011APG | LD15011BPG | InGaN | 순수한 녹색 | 525 | 180 | 450 | 120 | 300 |
| LD15011AUB | LD15011BUB | InGaN | 울트라 블루 | 470 | 45 | 67.5 | 30 | 45 |
| LD15011AUW | LD15011BUW | SMD | 울트라 화이트 | \ | 150 | 180 | 100 | 120 |
| 단위: | \ | \ | \ | nm | mcd | mcd | mcd | mcd |
노트:
1. 모든 치수는 밀리미터 (인치)로, 공차는+ 다른 현명하지 않은 한 0.25mm (0.01inch).
2. 사양은 예고없이 변경 될 수 있습니다.
3. 반사경과 PCB 사이의 간격은 0.25mm를 초과하지 않아야한다.
1 번 테이블:
| 단일 디지트 7 세그먼트 LED 디스플레이, 디지트 높이 : 38.10mm (1.5inch), 외형 치수 : 30.60x44.00x8.0mm (LxWxHmm) | ||||||||
| 부품 번호 | 칩 | Iv @ IF = 20mA | Iv @ IF = 20mA | |||||
| 공유지 음극 | 공유지 양극 | 자료 | 색깔 | WLD | 원세그 | 1 DP | ||
| 최소. | Typ. | 최소. | Typ. | |||||
| LD15011AR | LD15011BR | GaAlAs | 슈퍼 레드 | 640 | 12 | 15 | 8 | 10 |
| LD15011AD | LD15011BD | GaAlAs | 하이 레드 | 640 | 27 | 37.5 | 18 | 25 |
| LD15011AO | LD15011BO | GaAsP | 주황색 | 625 | 10.5 | 13.5 | 7 | 9 |
| LD15011AY | LD15011BY | GaAsP | 노랑 | 588 | 12 | 15 | 8 | 10 |
| LD15011AG | LD15011BG | 갭 | 녹색 | 568 | 10.5 | 13.5 | 7 | 9 |
| LD15011AUR | LD15011BUR | AlGaInP | 울트라 레드 | 640 | 45 | 67.5 | 30 | 45 |
| LD15011AUO | LD15011BUO | AlGaInP | 울트라 오렌지 | 625 | 67.5 | 90 | 45 | 60 |
| LD15011AUA | LD15011BUA | AlGaInP | 울트라 앰버 | 605 | 45 | 67.5 | 30 | 45 |
| LD15011AUY | LD15011BUY | AlGaInP | 울트라 옐로우 | 595 | 45 | 67.5 | 30 | 45 |
| LD15011AUG | LD15011BUG | AlGaInP | 울트라 그린 | 573 | 45 | 67.5 | 30 | 45 |
| LD15011APG | LD15011BPG | InGaN | 순수한 녹색 | 525 | 180 | 450 | 120 | 300 |
| LD15011AUB | LD15011BUB | InGaN | 울트라 블루 | 470 | 45 | 67.5 | 30 | 45 |
| LD15011AUW | LD15011BUW | SMD | 울트라 화이트 | \ | 150 | 180 | 100 | 120 |
| 단위: | \ | \ | \ | nm | mcd | mcd | mcd | mcd |